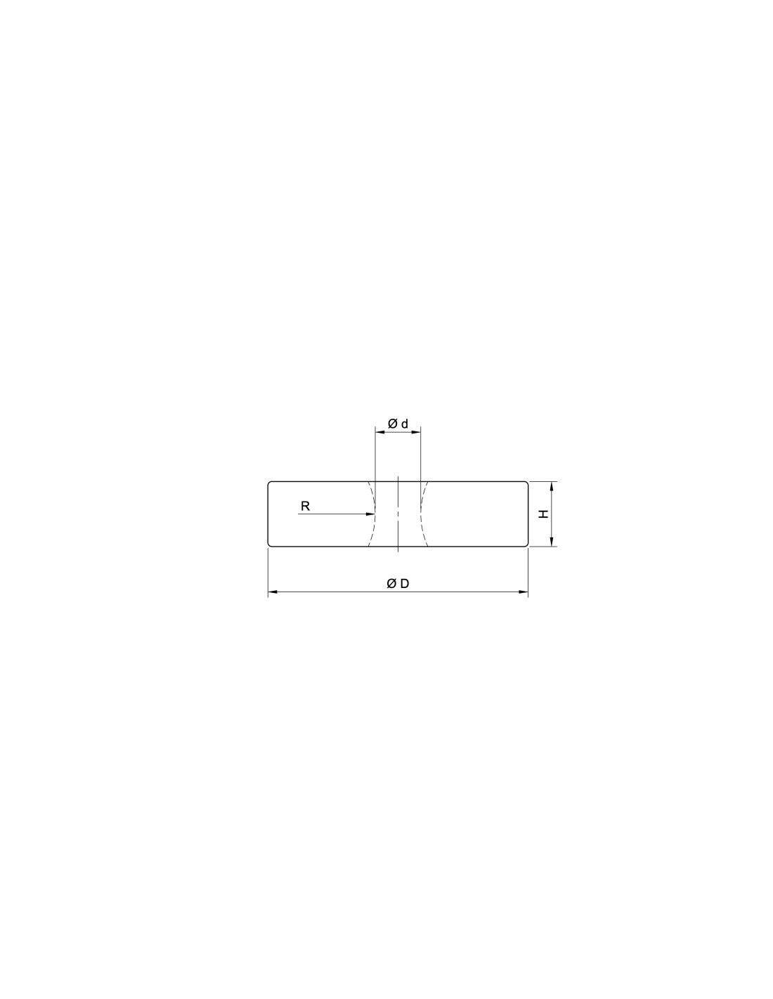
Pietra di zaffiro con foro olivato, senza incavi
36400
Cuscinetto di alta precisione per la meccanica fine
La pietra di zaffiro con foro olivato e senza incavi è un componente chiave nei cuscinetti di alta precisione. Funziona come supporto per un asse in acciaio rotante, garantendo attrito minimo e resistenza eccezionale all’usura.
Grazie al foro olivato, la lubrificazione è ottimizzata, riducendo l’attrito e prolungando la durata del meccanismo. Questa pietra è progettata per assorbire carichi radiali e assiali, assicurando un funzionamento fluido e stabile. Spesso viene utilizzata in combinazione con una pietra di copertura (di supporto), mantenendo una distanza assiale costante, essenziale per un perfetto ingranaggio delle ruote dentate.
Prodotti visti
cristalli rettangolari smussati in zaffiro o rubino sono progettati per soddisfare le esigenze di applicazioni ottiche e tecniche. Sono disponibili in diverse forme e livelli di lucidatura per usi in orologi, strumenti diagnostici, lettori di codici a barre e applicazioni ottiche IR/UV.
Disco diamantato di alta precisione per applicazioni speciali
Il disco diamantato in resina su base magnetica è uno strumento specializzato per la levigatura e la lucidatura di materiali duri. Con uno strato di resina di 1–5 mm, garantisce una lavorazione efficace e delicata.
🔹 Compatibile con grane di diamante micrometriche e più grossolane – per...
Strumenti di precisione per la lavorazione delle caraffe in vetro
Le punte di diamante sono strumenti essenziali per la lavorazione precisa delle caraffe in vetro. Questi strumenti specializzati permettono una perfetta svasatura del collo della bottiglia e la lavorazione del tappo di vetro per garantire un adattamento ideale.
Due tipi di punte di...
16 altri prodotti della stessa categoria:
Il cuscinetto conico in zaffiro è un cuscinetto specializzato in cui un asse in acciaio ruota con un raggio inferiore al raggio del vertice del cono del cuscinetto. Questo design garantisce un attrito minimo e un’elevata precisione, rendendolo ideale per strumenti di misura con ago mobile, come voltmetri e amperometri. La durezza dello zaffiro offre...
La punta di contatto in zaffiro è un componente di alta precisione utilizzato come punto di contatto finale negli strumenti di misurazione di precisione. Grazie al materiale in zaffiro, è altamente resistente all’usura, garantendo un utilizzo affidabile e duraturo. La punta è inserita in un supporto speciale che consente misurazioni precise senza...
Le finestre rettangolari in zaffiro o rubino sono progettate per applicazioni ad alta esigenza tecnica dove sono fondamentali resistenza chimica, robustezza meccanica e trasparenza ottica. Sono ampiamente utilizzate in dispositivi medici, lettori di codici a barre, applicazioni UV/IR e sistemi ottici avanzati.
Puntina in zaffiro di alta qualità per una riproduzione del suono precisa
La puntina in zaffiro unilaterale è un componente essenziale delle testine fonografiche, progettata per seguire con precisione il suono dei dischi in vinile. Grazie all’elevata durezza dello zaffiro e alla sua resistenza all’usura, offre una lunga durata e un suono nitido.
Questo...
cristalli rettangolari smussati in zaffiro o rubino sono progettati per soddisfare le esigenze di applicazioni ottiche e tecniche. Sono disponibili in diverse forme e livelli di lucidatura per usi in orologi, strumenti diagnostici, lettori di codici a barre e applicazioni ottiche IR/UV.
Il cuscinetto a coppa in zaffiro è un componente di precisione che consente la rotazione fluida di una sfera d’acciaio tra due cuscinetti in un alloggiamento. L’incavo sferico appositamente progettato garantisce che la sfera abbia un raggio inferiore rispetto all’incavo, permettendo un’efficiente assorbimento dei carichi assiali. Grazie alla sua elevata...
La guida per fibre in zaffiro non lucidato viene montata in mandrini speciali ad alta velocità. Quando la fibra passa attraverso la guida durante la rotazione, si arriccia e si ondula. Il materiale in zaffiro assicura un’elevata resistenza all’usura e una grande precisione, rendendolo ideale per le applicazioni industriali di lavorazione delle fibre.
Le guide filo in zaffiro o rubino vengono utilizzate per guidare con precisione fili sottili, come quelli delle termocoppie, nei dispositivi di rilevamento della temperatura. Funzionano anche come isolatori elettrici, risultando ideali per applicazioni elettroniche complesse.
La pietra di zaffiro con foro olivato è progettata per cuscinetti di alta precisione, dove funge da supporto per un asse in acciaio rotante. Questo cuscinetto assorbe carichi radiali e assiali, garantendo stabilità e lunga durata del meccanismo.
Viene spesso utilizzata in combinazione con una pietra di copertura (di supporto), creando un sistema di...
La guida per fibre in zaffiro non lucidato viene montata in mandrini speciali ad alta velocità. Quando la fibra passa attraverso la guida durante la rotazione, si arriccia e si ondula. Il materiale in zaffiro assicura un’elevata resistenza all’usura e una grande precisione, rendendolo ideale per le applicazioni industriali di lavorazione delle fibre.
Lo stilo in zaffiro è utilizzato negli strumenti di registrazione che lavorano con una speciale pellicola multistrato. La punta dello stilo, con un raggio molto piccolo, permette di registrare curve con grande precisione. Grazie al materiale in zaffiro, offre un’elevata resistenza all’usura e una lunga durata.
I vetri rotondi realizzati in zaffiro o rubino sono utilizzati in contesti in cui è richiesta resistenza chimica, durezza, stabilità termica, ampia banda di trasmissione e alta resistenza meccanica. Applicazioni: vetri per orologi, dispositivi medici e diagnostici, lettori di codici a barre, sistemi IR e UV e altre applicazioni ottiche.
Cuscinetto di alta precisione per la meccanica fine
La pietra di zaffiro con foro cilindrico e senza incavi è un componente chiave nei cuscinetti di alta precisione. Funziona come supporto per un asse in acciaio rotante, garantendo attrito minimo e resistenza eccezionale all’usura.
Questa pietra è progettata per assorbire carichi radiali e assiali,...
Il cuscinetto a coppa in zaffiro è un componente di precisione che consente la rotazione fluida di una sfera in acciaio tra due cuscinetti all’interno di un alloggiamento. L’incavo sferico appositamente progettato garantisce che la sfera abbia un raggio inferiore rispetto all’incavo, consentendo un’efficace assorbimento dei carichi assiali. La superficie...
Il Valve Check è un tipo di valvola di non ritorno che utilizza una sede in zaffiro e una sfera in rubino per garantire un controllo preciso e affidabile del flusso di liquidi o gas. Questi componenti si distinguono per la loro durezza, il basso attrito e l’eccezionale resistenza chimica e termica.