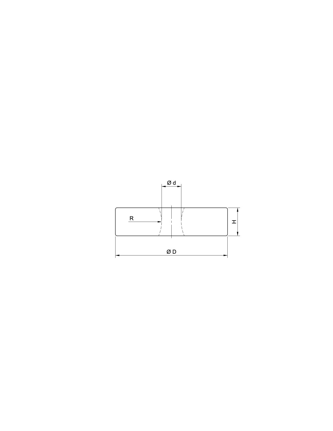
Pierre en saphir avec trou olivé, sans cuvettes
36400
Palier de haute précision pour la mécanique de précision
La pierre en saphir avec trou olivé et sans cuvettes est un élément clé des paliers de haute précision. Elle sert de support à un axe en acier rotatif, assurant un frottement minimal et une résistance extrême à l’usure.
Grâce à sa conception avec trou olivé, la lubrification est optimisée, réduisant ainsi les frottements et prolongeant la durée de vie du mécanisme. Cette pierre est conçue pour absorber les charges radiales et axiales, garantissant ainsi un fonctionnement fluide et stable. Elle est souvent utilisée en combinaison avec une pierre de recouvrement (de support), où elle maintient une distance axiale constante, essentielle pour l’engagement correct des engrenages.
Déjà vus
Composant essentiel du mécanisme de balancier
La pierre d’impulsion en rubis est insérée dans la bride du balancier d’un mouvement mécanique. Lorsqu’elle se déplace, elle s’engage alternativement dans la fourche de l’ancre, l’amenant à ses positions extrêmes.
🔹 Assure une synchronisation précise du mécanisme d’échappement.
🔹 Frottement minimal et grande...
16 autres produits dans la même catégorie :
Les orifices de jet d’eau fabriqués en rubis et saphir synthétiques offrent une dureté exceptionnelle, une résistance à l’usure et un contrôle précis du flux. Idéaux pour des applications où la longévité, la haute performance et une usure minimale sont essentielles.
Les cristaux chanfreinés rectangulaires en saphir ou rubis sont fabriqués dans différentes tailles, orientations et niveaux de polissage. Grâce à leur robustesse et transparence, ils sont parfaits pour les montres, les équipements médicaux, les lecteurs de codes-barres et les systèmes optiques UV et IR.
La pierre en saphir avec trou olivé double face est conçue pour les paliers de haute précision, où elle sert de support à un axe en acier rotatif. Ce palier absorbe les charges radiales et axiales, garantissant ainsi la stabilité et la longévité du mécanisme.
Cette pierre est souvent utilisée en combinaison avec une pierre de recouvrement (de support), où...
Pointe de lecture en saphir de haute qualité pour une restitution sonore précise
La pointe de lecture en saphir double face est un élément essentiel des cellules phono, conçue pour assurer un suivi précis du son sur les disques vinyles. Grâce à la dureté élevée du saphir et à sa résistance à l’usure, elle offre une longue durée de vie et une restitution...
La pointe de contact en saphir est un composant de haute précision utilisé comme point de contact final dans les instruments de mesure de précision. Grâce à son matériau en saphir, elle est extrêmement résistante à l’usure, garantissant une utilisation fiable et durable. La pointe est insérée dans un support spécial, permettant des mesures précises sans...
La pointe en saphir est utilisée dans les instruments d’enregistrement fonctionnant avec un film multicouche spécial. La pointe du stylet, terminée par un très petit rayon, permet d’enregistrer des courbes avec une grande précision. Grâce à son matériau en saphir, elle offre une excellente résistance à l’usure et une longue durée de vie.
Le palier en saphir en forme de coupelle est un composant de précision permettant la rotation fluide d’une bille en acier entre deux paliers dans un logement. L’évidement sphérique spécialement conçu garantit que la bille a un rayon plus petit que l’évidement, assurant ainsi une absorption efficace des charges axiales. La surface finement polie réduit les...
Le guide-fil en saphir non poli est monté dans des broches spéciales à grande vitesse. Lors du passage de la fibre à travers le guide en rotation, la fibre s’ondule et se frise. Grâce au matériau en saphir, il offre une grande résistance à l’usure et une précision élevée, ce qui le rend idéal pour les applications industrielles de traitement des fibres.
Palier de haute précision pour la mécanique de précision
La pierre en saphir avec trou cylindrique et sans cuvettes est un élément clé des paliers de haute précision. Elle sert de support à un axe en acier rotatif, assurant un frottement minimal et une résistance extrême à l’usure.
Cette pierre est conçue pour absorber les charges radiales et axiales,...
Pointe de lecture en saphir de haute qualité pour une reproduction sonore précise
La pointe de lecture en saphir unilatérale est un élément essentiel des cellules phono, conçue pour assurer un suivi précis du son sur les disques vinyles. Grâce à la dureté élevée du saphir et à sa résistance à l’usure, elle offre une longue durée de vie et une restitution...
Les lentilles demi-sphériques sont fabriquées selon des normes AFBMA strictes, garantissant une précision exceptionnelle de la forme, des dimensions et de la qualité de surface. Elles sont idéales pour des applications optiques et mécaniques nécessitant une haute précision et une fiabilité maximale.
Les orifices à double trou fabriqués en rubis et saphir synthétiques permettent un contrôle de flux extrêmement précis dans les systèmes nécessitant une répartition ou une direction spécifique du fluide. La conception à double sortie garantit une répartition uniforme ou ciblée du flux.
Les fenêtres rectangulaires en saphir ou rubis sont utilisées dans des environnements exigeants où la résistance chimique, la solidité mécanique et la transmission optique sont essentielles. Elles conviennent parfaitement aux équipements médicaux, lecteurs de codes-barres, applications infrarouges, UV et optiques de précision.
Les buses fabriquées en saphir et rubis synthétiques se distinguent par leur extrême dureté, leur résistance à l’usure et leur précision exceptionnelle. Elles sont utilisées partout où un contrôle fiable et durable du flux de liquide, d’air ou de produits chimiques est essentiel.
Les guides-fil en saphir ou rubis permettent de guider avec précision les fils fins dans les capteurs de température et servent également d’isolants électriques. Leur résistance à la chaleur et à l’usure les rend parfaits pour l’industrie électronique.
Le guide-fil en saphir non poli est monté dans des broches spéciales à grande vitesse. Lors du passage de la fibre à travers le guide en rotation, la fibre s’ondule et se frise. Grâce au matériau en saphir, il offre une grande résistance à l’usure et une précision élevée, ce qui le rend idéal pour les applications industrielles de traitement des fibres.