Radius-Diamantschleifscheiben 1F1 / 1FF1 – Glasdekoration und Präzisionsschleifen
Radius-Diamantschleifscheiben 1F1 / 1FF1 – Glasdekoration und Präzisionsschleifen
Radius-Diamantschleifscheiben 1F1 / 1FF1 – Glasdekoration und Präzisionsschleifen
Radius-Diamantschleifscheiben 1F1 / 1FF1 – Glasdekoration und Präzisionsschleifen
Radius-Diamantschleifscheiben 1F1 / 1FF1 – Glasdekoration und Präzisionsschleifen
Radius-Diamantschleifscheiben 1F1 / 1FF1 – Glasdekoration und Präzisionsschleifen

Radius-Diamantschleifscheiben 1F1 / 1FF1

DK20001

Radius-Diamantschleifscheiben nach FEPA-Norm 1F1 und 1FF1 sind hochspezialisierte gesinterte Werkzeuge, die hauptsächlich in der Glasindustrie für die künstlerische Glasdekoration verwendet werden. Ihre Präzision ermöglicht die Erstellung von feinen Gravuren, Facetten, Reliefmustern und anderen dekorativen Elementen auf Glas.

Neben der Glasindustrie werden diese Schleifscheiben auch für die präzise Bearbeitung harter Materialien wie Hartmetalle, Keramiken, optische Komponenten und gehärtete Metalle eingesetzt.

Sie sind in einer breiten Palette von Durchmessern erhältlich, von Miniaturgrößen bis hin zu großen Schleifscheiben mit einem Durchmesser von 450 mm und einer Breite von bis zu 50 mm, wodurch sie für verschiedene industrielle Anwendungen geeignet sind.

Anfragenformular

close

Unverbindliche Anfrage

 

 

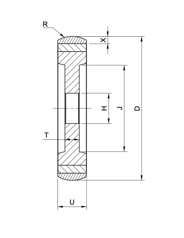
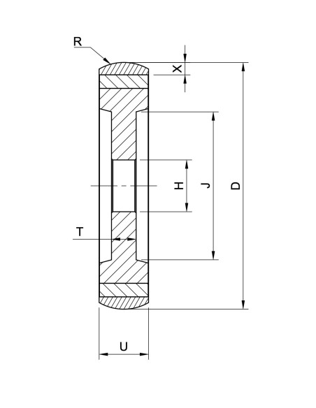
Konstruktion und Varianten der Schleifscheiben

Radius-Diamantschleifscheiben gibt es in verschiedenen Ausführungen, die für spezielle Anwendungen optimiert sind:

✅ Flacher Körper – Standardausführung für allgemeines Schleifen und Glasdekoration.

✅ Erweiterter Körper – größere Kontaktfläche für verbesserte Stabilität und Leistung.

✅ Verjüngter Körper – ermöglicht detaillierte Gravuren und feine Linienmuster.

✅ Variable Diamantschichtbreite – Anpassung für feine Details oder gröbere Gravuren.

✅ Zusätzliche Rillenschneider – Multireamers – optional mit speziellen Rillen für Mehrprofil-Schleifen und Glasdekoration.

Anwendungsbereiche von Radius-Diamantschleifscheiben 1F1 / 1FF1

🔹 Glasindustrie und künstlerische Glasdekoration – feine Gravuren, Facettierungen, ornamentale Designs und Reliefdekorationen.

🔹 Formen- und Matrizenbau – präzise Bearbeitung von Metall- und Keramikformen.

🔹 Werkzeugschleifen – ideal zum Schärfen von Hartmetall- und PCD-Werkzeugen.

🔹 Optische Industrie – Bearbeitung von Glaslinsen, Saphiren und anderen optischen Materialien.

🔹 Bearbeitung von Hartmetallen und gehärteten Materialien – Schleifen extrem harter Materialien für industrielle Anwendungen.

🔹 Halbleiterindustrie – Bearbeitung von Silizium-Wafern und elektronischen Bauteilen.

Radius-Diamantschleifscheiben 1F1 / 1FF1 sind unverzichtbare Werkzeuge für die Glasindustrie und künstlerische Anwendungen sowie für hochpräzises Schleifen extrem harter Materialien in industriellen Anwendungen.

16 andere Artikel in der gleichen Kategorie:

Product added to compare.

Wir verwenden Cookies, um Inhalte zu personalisieren, den Verkehr zu analysieren und Ihre Benutzererfahrung zu verbessern. Indem Sie diese Website weiterhin nutzen, stimmen Sie unserer Verwendung von Cookies zu. Mehr erfahren.