Dischi diamantati a raggio 1F1 / 1FF1 – Decorazione del vetro e rettifica di precisione
Dischi diamantati a raggio 1F1 / 1FF1 – Decorazione del vetro e rettifica di precisione
Dischi diamantati a raggio 1F1 / 1FF1 – Decorazione del vetro e rettifica di precisione
Dischi diamantati a raggio 1F1 / 1FF1 – Decorazione del vetro e rettifica di precisione
Dischi diamantati a raggio 1F1 / 1FF1 – Decorazione del vetro e rettifica di precisione
Dischi diamantati a raggio 1F1 / 1FF1 – Decorazione del vetro e rettifica di precisione

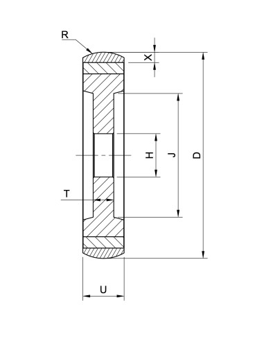
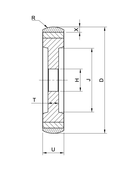
Dischi diamantati a raggio 1F1 / 1FF1

DK20001

I dischi diamantati a raggio secondo la norma FEPA 1F1 e 1FF1 sono utensili sinterizzati altamente specializzati, utilizzati principalmente nell’industria del vetro per la decorazione artistica del vetro. La loro precisione consente la realizzazione di incisioni fini, smussature, motivi in rilievo e altri elementi decorativi.

Oltre all’industria del vetro, questi dischi vengono impiegati anche per la rettifica di precisione di materiali duri, come carburi, ceramica, componenti ottici e metalli temprati.

Disponibili in una vasta gamma di diametri, da dimensioni miniaturizzate fino a dischi grandi con diametro fino a 450 mm e larghezza fino a 50 mm, sono adatti a molteplici applicazioni industriali.

Modulo di richiesta

close

Richiesta senza impegno

 

 

Costruzione e varianti del disco

I dischi diamantati a raggio possono avere diverse forme per ottimizzare le prestazioni in base all’applicazione:

✅ Corpo piatto – design standard per rettifica generale e decorazione del vetro.

✅ Corpo ampliato – maggiore superficie di contatto per una maggiore stabilità e durata.

✅ Corpo affusolato – ideale per incisioni dettagliate e motivi ornamentali complessi.

✅ Larghezza variabile dello strato diamantato – personalizzazione per dettagli fini o incisioni più profonde.

✅ Scanalature aggiuntive – multireamers – possibilità di aggiungere scanalature speciali per la rettifica multiprofilo e la decorazione del vetro.

Applicazioni dei dischi diamantati a raggio 1F1 / 1FF1

🔹 Industria del vetro e decorazione artistica – incisioni fini, smussature, motivi ornamentali e decorazioni in rilievo.

🔹 Produzione di stampi e matrici – lavorazione precisa di stampi metallici e ceramici.

🔹 Affilatura di utensili da taglio – ideale per l’affilatura di utensili in carburo e PCD.

🔹 Industria ottica – lavorazione di lenti in vetro, zaffiri e altri materiali ottici.

🔹 Rettifica di carburi e metalli temprati – lavorazione di materiali estremamente duri per applicazioni industriali.

🔹 Industria dei semiconduttori – lavorazione di wafer in silicio e componenti elettronici.

I dischi diamantati a raggio 1F1 / 1FF1 sono strumenti essenziali per l’industria del vetro e la lavorazione artistica, oltre che per la rettifica di alta precisione di materiali estremamente duri nelle applicazioni industriali.

16 altri prodotti della stessa categoria:

Product added to compare.

Utilizziamo i cookie per personalizzare i contenuti, analizzare il traffico e migliorare la tua esperienza utente. Continuando a utilizzare questo sito, accetti il nostro utilizzo dei cookie. Scopri di più.