Herramientas diamantadas para vidrio plano G 1/2”
Herramientas diamantadas para vidrio plano G 1/2”
Herramientas diamantadas para vidrio plano G 1/2”
Herramientas diamantadas para vidrio plano G 1/2”
Herramientas diamantadas para vidrio plano G 1/2”

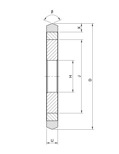
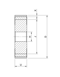
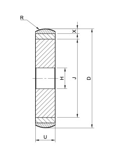
Herramientas diamantadas para vidrio plano – rosca G 1/2”

Herramientas diamantadas para el rectificado y perfilado de bordes de vidrio plano. Basadas en discos de perfil trapezoidal o en C montados en rosca G 1/2”.

Disponibles con uno, dos o tres discos según la aplicación.

Fabricación personalizada disponible.

Formulario de solicitud

close

Solicitud sin compromiso

 

16 otros productos en la misma categoría:

Product added to compare.

Usamos cookies para personalizar el contenido, analizar el tráfico y mejorar su experiencia de usuario. Al continuar utilizando este sitio, acepta nuestro uso de cookies. Más información.