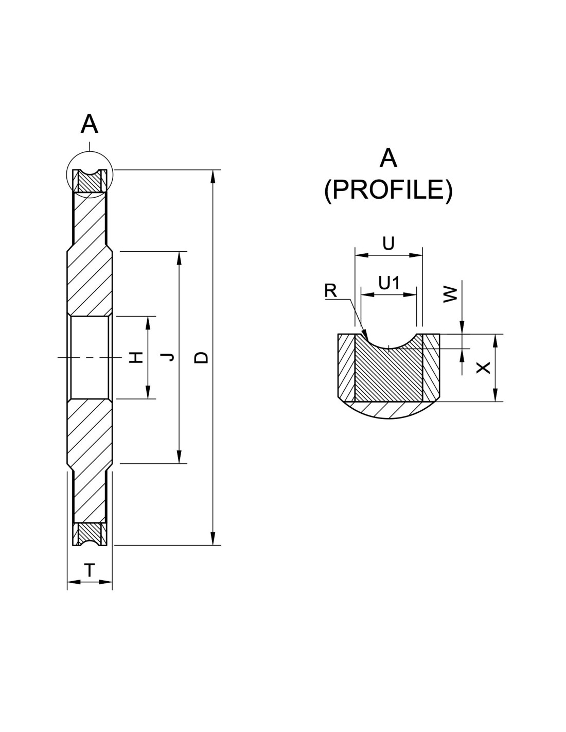
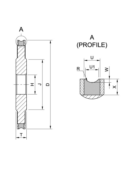
Discos de diamante para vidrio plano – Perfil C, perfil trapezoidal
Discos de diamante para vidrio plano – Perfil C, perfil trapezoidal
Discos de diamante para vidrio plano – Perfil C, perfil trapezoidal
Discos de diamante para vidrio plano – Perfil C, perfil trapezoidal
Discos de diamante para vidrio plano – Perfil C, perfil trapezoidal
Discos de diamante para vidrio plano – Perfil C, perfil trapezoidal
Discos de diamante para vidrio plano – Perfil C, perfil trapezoidal
Discos de diamante para vidrio plano – Perfil C, perfil trapezoidal

Discos de diamante para vidrio plano

DK2354545

Discos de diamante para vidrio plano con unión metálica, ideales para el rectificado y pulido de bordes de vidrio. Disponibles en perfil C, perfil trapezoidal y versiones de alta velocidad para la industria automotriz.

Formulario de solicitud

close

Solicitud sin compromiso

 

 

Nuestros discos de diamante para vidrio plano están diseñados para el rectificado y pulido preciso de los bordes de vidrio. Los fabricamos en varias versiones, incluidos el perfil C y el perfil trapezoidal, todos disponibles con unión metálica para una mayor durabilidad y rendimiento óptimo.

Para aplicaciones especiales, ofrecemos discos de alta velocidad diseñados específicamente para la industria automotriz. Los discos están disponibles en versión abierta clásica o completamente cerrada, con una o varias ranuras. Además, ofrecemos variantes con cuerpo normal, estrechado o ensanchado según las necesidades del cliente.

Además de los discos estándar, también fabricamos pequeñas herramientas de diamante con vástago y rosca G 1/2, ideales para aplicaciones especiales en el procesamiento de vidrio.

Nuestros productos son compatibles con una amplia gama de máquinas y también ofrecemos producción personalizada según especificaciones individuales. Contáctenos para obtener más información y recomendaciones sobre el disco más adecuado para sus necesidades.

Productos más vistos

16 otros productos en la misma categoría:

Product added to compare.

Usamos cookies para personalizar el contenido, analizar el tráfico y mejorar su experiencia de usuario. Al continuar utilizando este sitio, acepta nuestro uso de cookies. Más información.