Diamantové nástroje na ploché sklo – stopka G 1/2”
Diamantové nástroje na ploché sklo jsou určeny pro přesné broušení a opracování hran plochého skla. Konstrukčně vycházejí ze zmenšených trapézových a C-profilových kotoučů, které jsou upevněny na stopce se závitem G 1/2”.
Toto provedení umožňuje snadnou montáž na příslušné brusné hlavy a stroje určené pro opracování plochého skla. Nástroje jsou vhodné pro srážení hran, tvarování profilu i jemné dobrušování.
Možnosti provedení:
-
trapézový profil
-
C-profil
-
jeden kotouč
-
dvojité provedení
-
trojité provedení
Diamantová pracovní vrstva zajišťuje rovnoměrný úběr materiálu, stabilní chod a dlouhou životnost nástroje. Vyrábíme různé průměry, šířky i zrnitosti dle požadovaného typu opracování.
16 dalších produktů ve stejné kategorii:
Diamantové nástroje pro optické sklo umožňují přesné broušení a leštění s vysokou kvalitou a dlouhou životností. Jsou ideální pro výrobu čoček, hranolů a dalších optických součástí.
Čelní diamantové kotouče jsou vysokovýkonné brusné nástroje, navržené pro precizní čelní broušení tvrdých materiálů, jako jsou karbidy, keramika, sklo, technické slitiny a optické komponenty. Díky své speciální čelní konstrukci umožňují přesné broušení rovinných ploch, přičemž jejich robustní provedení zajišťuje dlouhou životnost a vysokou efektivitu...
Vyrábíme diamantové nástroje na zakázku přesně podle požadavků zákazníka. Díky naší špičkové technologii a rozsáhlému know-how dokážeme vytvořit diamantové nástroje v jakémkoliv tvaru, rozměru a provedení, a to s optimální vazbou a správným typem diamantu pro danou aplikaci.
Rovné diamantové kotouče ve standardu FEPA 1A1 jsou nejuniverzálnější sintrované brusné nástroje, určené pro přesné broušení tvrdých materiálů a opracování skla. Díky rovnému profilu poskytují stabilní a konzistentní řezný výkon, což je činí ideálními pro širokou škálu aplikací od ostření nástrojů až po precizní úpravy optických prvků a skleněných...
Diamantové brusné houbičky jsou ideálním nástrojem pro ruční broušení, dobrušování a začišťování hran skla, kamene a keramických materiálů. Díky diamantové brusné vrstvě umožňují rovnoměrný úběr materiálu, vysokou přesnost a dlouhou životnost i při intenzivním používání.
Houbičky jsou vhodné zejména pro jemné úpravy hran po strojním broušení, odstranění...
Diamantová kulička na stopce je precizní nástroj určený pro dekorování skla, mikroobřábění tvrdých materiálů a jemné opracování detailů v průmyslových i řemeslných aplikacích.
Vysoce výkonné diamantové pásy pro broušení a řezání tvrdých materiálů
Diamantové pásy jsou speciálně navrženy pro efektivní opracování extrémně tvrdých materiálů, jako jsou sklo, keramika, safír, karbid wolframu, kámen a kompozity. Díky precizně nanesené diamantové vrstvě poskytují vysokou přesnost, dlouhou životnost a optimální brusný výkon.
Klíčové...
Miskové diamantové kotouče jsou určeny pro přesné broušení a opracování skla a keramických materiálů. Díky miskovému tvaru umožňují efektivní opracování hran, srážení, zarovnávání ploch i detailní tvarování.
Kotouče se vyrábějí v různých zrnitostech dle požadovaného stupně opracování – od hrubého broušení až po jemné dokončovací operace. Konstrukce...
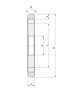
Diamantové kotouče na ploché sklo v kovové vazbě vhodné pro broušení skleněných hran. Nabízíme C profil, trapézový profil a další varianty, včetně vysokorychlostních kotoučů pro automobilový průmysl.
Rytecké diamantové kotouče jsou určeny pro detailní opracování, rytí a dekorativní práci na skle. Využívají je především umělečtí a studioví skláři, ale i technické provozy zaměřené na přesné opracování skla.
Kotouče mohou být vyrobeny v různých profilech podle požadovaného výsledku – rovné, úhlové (V-profil) nebo radiusové pro plynulé přechody a jemné...
Úhlové diamantové kotouče FEPA 1E1 a 1EE1 jsou specializované sintrované brusné nástroje, které se nejčastěji využívají v uměleckém sklářství a optickém průmyslu pro precizní broušení, tvarování hran, fazetování a dekorativní úpravy skla. Díky šikmému (úhlovému) profilu umožňují jemné opracování složitých vzorů, reliéfů a zkosených hran, které dodávají...
1M2 diamantové kotouče jsou určeny pro precizní broušení hran skleniček. Jsou dostupné v pryskyřičné nebo kovové vazbě a mají nosič z plechu nebo kompozitního materiálu pro maximální odolnost. Brusná vrstva má šířku 20–40 mm a tloušťku 0,5–1,5 mm. Tyto kotouče se běžně používají na strojích Biebuyck pro dosažení hladkých a přesných hran.
Rádiusové diamantové kotouče ve standardu FEPA 1F1 a 1FF1 jsou vysoce specializované sintrované nástroje, které se nejčastěji používají ve sklářském průmyslu pro umělecké dekorování skla. Díky své přesnosti umožňují vytvářet jemné rytiny, fazety, reliéfní vzory a další dekorativní prvky na skle.
Vedle sklářského průmyslu jsou tyto kotouče využívány i v...
Vysoce přesný diamantový kotouč pro speciální aplikace
Pryskyřičný diamantový kotouč na magnetické podložce je speciální nástroj určený pro broušení i leštění tvrdých materiálů. Díky pryskyřičné vazbě o výšce 1–5 mm nabízí šetrné, ale efektivní opracování povrchů.
🔹 Vhodný pro mikronové i hrubší diamantové zrno – umožňuje jak agresivní úběr, tak i...
Efektivní oživení a tvarování diamantových nástrojů
Oživovací kámen je nezbytným nástrojem pro údržbu a regeneraci diamantových brusných nástrojů. Pomáhá obnovit jejich brusné vlastnosti a tvar, čímž prodlužuje jejich životnost a zajišťuje optimální výkon.
Varianty zrnitosti:
Oživovací kameny nabízíme ve třech hrubostech podle potřeby opracování:
• F80...
Precizní nástroje pro opracování skleněných karaf
Diamantové trny jsou nezbytným nástrojem pro přesné opracování skleněných karaf. Tyto speciální nástroje umožňují dokonalé zahloubení hrdla lahve a opracování skleněné zátky tak, aby perfektně zapadla.
Dva typy diamantových trnů:
Zahlubovací trn do hrdla lahve – Umožňuje přesné a hladké zahloubení, čímž...