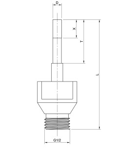
Flasques de serrage pour disques diamantés
UP5445
Les flasques de serrage pour disques diamantés permettent une fixation précise, stable et sécurisée des disques de meulage diamantés sur les machines de meulage et de polissage. Un serrage correct est essentiel pour un fonctionnement régulier et une qualité de finition constante.
Fabriquées avec une grande précision des surfaces d’appui et un bon équilibrage, elles assurent une transmission fiable du couple et réduisent les vibrations. Elles sont adaptées au meulage des arêtes du verre, du verre technique et d’autres matériaux durs. Leur conception robuste garantit un fonctionnement stable à des vitesses élevées.
Disponibles en différents diamètres et configurations.
16 autres produits dans la même catégorie :
Les meules diamantées 1M2 sont conçues pour le meulage précis des bords du verre. Elles sont disponibles avec une liaison en résine ou en métal et un noyau en acier ou en composite pour une durabilité maximale. La couche abrasive mesure entre 20 et 40 mm de large et entre 0,5 et 1,5 mm d’épaisseur. Ces meules sont couramment utilisées sur les machines...
Plaques diamantées professionnelles pour sols en béton et en pierre
Nos plaques diamantées sont conçues pour un ponçage efficace des surfaces en béton, pierre et autres matériaux durs. Compatibles avec les principales marques telles que HTC, Husqvarna, et plus, elles offrent des performances optimales et une longue durée de vie.
🔹 Différentes formes de...
Disques diamantés
Outils diamantés pour verre plat – filetage G 1/2”
Les outils diamantés pour verre plat sont conçus pour le meulage et le profilage précis des bords du verre plat. Ils se composent de disques de profil trapézoïdal ou en C, montés sur une tige filetée G 1/2”.
Disponibles en version simple, double ou triple disque selon l’application.
La couche diamantée assure un enlèvement régulier de matière et une...
La scie diamantée segmentée pour pierre est un outil de coupe haute performance conçu pour une découpe efficace et précise des pierres naturelles et artificielles. Grâce à sa conception segmentée, elle assure une excellente dissipation de la chaleur et garantit une coupe fluide même à travers les matériaux les plus durs. L’utilisation de segments...
Nous fabriquons des outils diamantés sur mesure, adaptés aux exigences des clients. Grâce à notre technologie de pointe et à notre savoir-faire approfondi, nous pouvons créer des outils diamantés de toute forme, taille et conception, avec la liaison optimale et le type de diamant adapté à votre application spécifique.
Les disques diamantés de gravure sont destinés au travail détaillé, à la gravure et au façonnage décoratif du verre. Ils sont utilisés par les verriers d’art ainsi que par les ateliers techniques spécialisés.
Ils peuvent être fabriqués avec différents profils : plat, angulaire (profil en V) ou arrondi (radius) pour des transitions douces et un modelage...
Nos forets diamantés extra longs sont conçus pour offrir une précision et une efficacité maximales lors du perçage des matériaux les plus durs. Grâce à leur longueur et leur couronne en diamant, ils permettent des opérations spécialisées là où les forets standards ne suffisent pas.
Caractéristiques principales :
• Haute précision – Idéal pour le perçage...
Disques diamantés pour le verre plat en liant métallique, adaptés au meulage et au polissage des bords en verre. Disponibles en profil C, profil trapézoïdal et versions haute vitesse pour l’automobile.
Les meules diamantées angulaires FEPA 1E1 et 1EE1 sont des outils de meulage frittés spécialisés, principalement utilisées dans l’art verrier et l’industrie optique pour le meulage précis des bords, le biseautage, le facettage et la décoration du verre. Leur profil angulaire permet de réaliser des motifs complexes, des reliefs et des bords chanfreinés,...
Forets diamantés haute performance pour un perçage précis dans la pierre
Nos forets diamantés sont conçus pour une précision maximale et une longue durée de vie. Grâce à une couronne diamantée spécialement conçue, ils permettent un perçage efficace dans les pierres naturelles et synthétiques comme le granit, le marbre, l’ardoise ou le quartz....
La fraise à chanfreiner pour foret diamanté permet de réaliser un chanfrein net ou une finition en biseau sur le bord des trous percés. Elle est largement utilisée dans le travail du verre, de la céramique et de la pierre. Fabriquée à partir de matériaux robustes et conçue pour un usage avec des forets diamantés.
Le foret diamanté avec fraise à chanfreiner permet de percer et de chanfreiner en une seule opération. Cela garantit un gain de temps et une finition propre. Utilisé principalement pour le verre, la céramique et la pierre. Fabriqué avec des matériaux de haute qualité pour une durabilité et une précision maximales.
Les meules diamantées plates aux normes FEPA 1A1 sont les outils de meulage frittés les plus polyvalents, conçus pour le meulage précis des matériaux durs et le travail du verre. Leur profil plat assure une coupe stable et homogène, ce qui les rend idéales pour diverses applications, allant de l’affûtage d’outils à la finition fine des composants optiques...
Le foret diamanté tubulaire fritté est idéal pour le perçage du verre et de la céramique. Grâce à sa haute résistance et à sa surface diamantée de qualité, il offre des trous nets et précis avec une longue durée de vie.
La meule diamantée sur base magnétique est idéale pour le meulage de surface du verre, de la pierre, de la céramique et d'autres matériaux. Son poids léger facilite la manipulation. Disponible jusqu'à 900 mm de diamètre en liant électrolytique ou en résine.
Bandes diamantées haute performance pour le meulage et la découpe des matériaux durs
Les bandes diamantées sont spécialement conçues pour l’usinage efficace des matériaux extrêmement durs tels que le verre, la céramique, le saphir, le carbure de tungstène, la pierre et les composites. La couche de diamant appliquée avec précision garantit une haute...