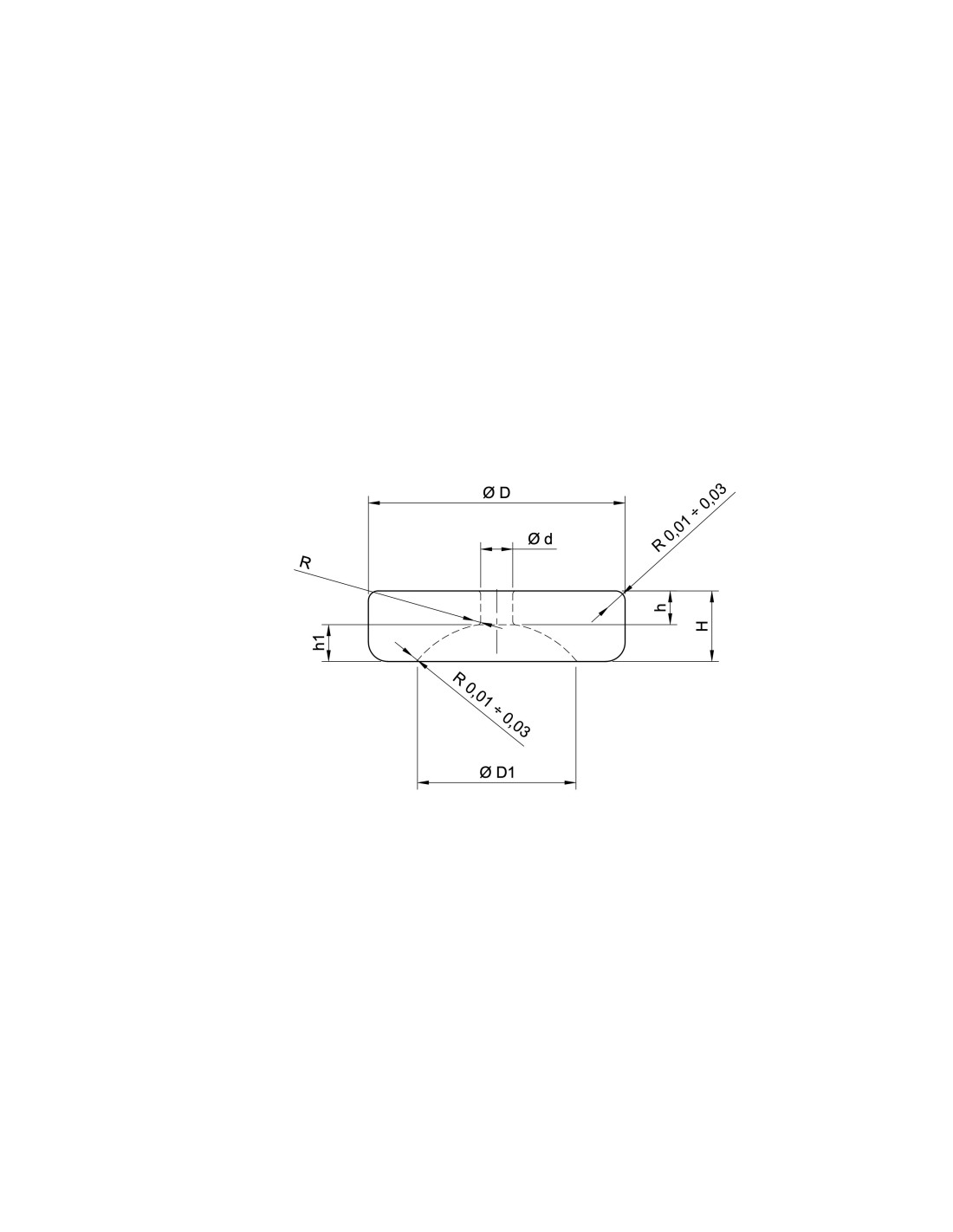
Rubínový kameň s valcovým otvorom pre hodinky
54100
Presné ložisko pre čapové uloženie súkolesia
Rubínový kameň s valcovým otvorom slúži ako ložisko čapového uloženia súkolesia v mechanických a elektrických hodinových strojčekoch, ako aj v elektronických strojčekoch s ručičkovým ukazovateľom času.
🔹 Vysoká odolnosť voči opotrebeniu vďaka extrémnej tvrdosti rubínu.
🔹 Odolnosť proti otrasom a vibráciám pre spoľahlivý chod hodinového mechanizmu.
🔹 Kľúčový komponent v presnej hodinárskej mechanike – dlhá životnosť a vysoká presnosť.
Zobrazené produkty
Presný komponent ložiska čapu zotrvačníka
Hodinový kameň s olivovaným otvorom a plochým tvarom je kľúčovou súčasťou ložiska čapu zotrvačníka v hodinových strojčekoch. Spolu s krycím kameňom v spoločnej objímke zabezpečuje plynulý a presný pohyb zotrvačníka, čím prispieva k dlhej životnosti a spoľahlivosti celého mechanizmu.
Vysokopresný diamantový kotúč pre špeciálne aplikácie
Diamantový kotúč v pryskyřičnej väzbe na magnetickej podložke je špeciálny nástroj určený na brúsenie aj leštenietvrdých materiálov. S vrstvou pryskyřičnej väzby o hrúbke 1–5 mm poskytuje jemné, ale efektívne opracovanie povrchov.
🔹 Vhodný pre mikronové aj hrubšie diamantové zrná – umožňuje agresívny...
Produkty v rovnakej kategórii: 16
Presný rubínový kameň pre hodinové mechanizmy
Hodinový paletový vstupný kameň je nevyhnutnou súčasťou krokového mechanizmu hodinových strojčekov s mechanickým pohonom. Je upevnený v ramene kotvy a pri každom kmitaní zotrvačníka zasahuje do ozubenia krokového kolesa. Tým reguluje pohyb súkolesia a zabezpečuje presný chod hodín.
Fazetované obdĺžnikové kryštály vyrobené zo zafíru alebo rubínu ponúkajú vysokú presnosť, mechanickú odolnosť a optickú čistotu. Používajú sa v diagnostike, optických zariadeniach, UV a IR aplikáciách, ako aj v luxusných hodinkách a snímačoch.
Tyče s plochým zakončením vyrobené zo zafíru alebo rubínu sú určené pre technicky náročné aplikácie, kde je dôležitá elektrická izolácia, odolnosť voči chemikáliám a pevnosť. Uplatňujú sa v dielektrických systémoch, zdravotníctve a ako izolátory. Sú dostupné v rôznych rozmeroch a úpravách.
Zafírové a rubínové vodiace trubičky sa používajú na presné vedenie tenkých drôtov, najmä v snímačoch teploty, a zároveň slúžia ako izolanty. Sú ideálne pre elektronický priemysel vďaka svojej odolnosti voči teplu, opotrebovaniu a chemikáliám.
Tyče s vypuklým koncom zo zafíru alebo rubínu sa používajú v náročných aplikáciách, kde je dôležitá elektrická izolácia, chemická odolnosť a mechanická presnosť. Sú vhodné pre zdravotnícke, diagnostické aj dielektrické použitie.
Dvojité trysky vyrobené z umelého rubínu a zafíru sú určené na presné smerovanie a rozdelenie prietoku médií. Vďaka dvom výstupným otvorom umožňujú efektívnu distribúciu alebo rozdelenie toku podľa potreby.
Presné ložisko pre čap zotrvačníka
Rubínový krycí kameň je neoddeliteľnou súčasťou ložiska čapu zotrvačníka v hodinových strojčekoch. Spolu s otvorovým kameňom tvorí presné ložisko, ktoré minimalizuje trenie a zaisťuje dlhú životnosť mechanizmu.
🔹 Súčasť precíznych ložísk – zabezpečuje plynulý a stabilný chod zotrvačníka.
🔹 Nárazuvzdorné uloženie –...
Trysky vyrobené z umelého zafíru a rubínu poskytujú výnimočnú tvrdosť, odolnosť voči opotrebovaniu a mimoriadnu presnosť. Sú ideálnym riešením tam, kde je potrebná spoľahlivá kontrola toku kvapalín, plynov alebo chemických látok v náročných podmienkach.
Valve Check je typ spätného ventilu, ktorý využíva safírové sedlo a rubínovú guľôčku na zabezpečenie presného a spoľahlivého riadenia prietoku kvapaliny alebo plynu. Tieto komponenty vynikajú tvrdosťou, nízkym trením a extrémnou chemickou aj tepelnou odolnosťou.
Rubínové guľôčky získavajú svoju charakteristickú červenú farbu vďaka stopovému množstvu chrómu. Vyznačujú sa výnimočnou tvrdosťou (9 na Mohsovej stupnici), vysokou odolnosťou proti opotrebovaniu, chemickou stabilitou, neporéznosťou a vynikajúcou tepelnou vodivosťou.
Vďaka týmto vlastnostiam sa široko využívajú v rôznych priemyselných a technologických...
Presný komponent ložiska čapu zotrvačníka
Hodinový kameň s olivovaným otvorom a vypuklým tvarom je kľúčovou súčasťou ložiska čapu zotrvačníka v hodinových strojčekoch. Spolu s krycím kameňom v spoločnej objímke zabezpečuje plynulý a presný pohyb zotrvačníka, čím prispieva k dlhej životnosti a spoľahlivosti celého mechanizmu.
Štvorcové okienka zo zafíru alebo rubínu sa používajú tam, kde je potrebná chemická odolnosť, tvrdosť, tepelná stabilita, široké spektrum priepustnosti a vysoká pevnosť. Bežné aplikácie: hodinkové sklíčka, medicínske a diagnostické prístroje, čítačky čiarových kódov, infračervené a UV systémy a ďalšie optické zariadenia.
Polokulové šošovky sú vyrábané podľa prísnych noriem AFBMA, ktoré zaručujú vynikajúcu presnosť tvaru, rozmerov a povrchovej kvality. Tieto šošovky sú ideálne pre optické a mechanické aplikácie, kde je potrebná vysoká presnosť a spoľahlivosť.
Kľúčová súčasť krokového mechanizmu hodinového strojčeka
Hodinový kameň paletový výstupný je precízny rubínový komponent hodinového strojčeka s mechanickým pohonom. Tieto kamene sú upevnené v ramene kotvy a striedavo zasahujú do ozubenia krokového kolesa v zhode s frekvenciou zotrvačníka. Ich úlohou je regulovať rovnomerný prenos energie a stabilizovať...
Presný komponent ložiska čapu zotrvačníka
Hodinový kameň s olivovaným otvorom a plochým tvarom je kľúčovou súčasťou ložiska čapu zotrvačníka v hodinových strojčekoch. Spolu s krycím kameňom v spoločnej objímke zabezpečuje plynulý a presný pohyb zotrvačníka, čím prispieva k dlhej životnosti a spoľahlivosti celého mechanizmu.
Dôležitá súčasť mechanizmu setrvačníka
Rubínový popudný kameň je zalisovaný do príruby setrvačníka v mechanickom hodinovom strojčeku. Počas pohybu striedavo vstupuje do vidlice kotvy, čím ju vychyľuje do krajnej polohy.
🔹 Zabezpečuje presnú synchronizáciu krokového mechanizmu hodín.
🔹 Minimálne trenie a extrémna odolnosť vďaka syntetickému rubínu.
🔹 Dlhá...