Trubkový diamantový vrták – Sintrovaný vrták pro sklo a keramiku
Trubkový diamantový vrták – Sintrovaný vrták pro sklo a keramiku
Trubkový diamantový vrták – Sintrovaný vrták pro sklo a keramiku
Trubkový diamantový vrták – Sintrovaný vrták pro sklo a keramiku
Trubkový diamantový vrták – Sintrovaný vrták pro sklo a keramiku
Trubkový diamantový vrták – Sintrovaný vrták pro sklo a keramiku
Trubkový diamantový vrták – Sintrovaný vrták pro sklo a keramiku

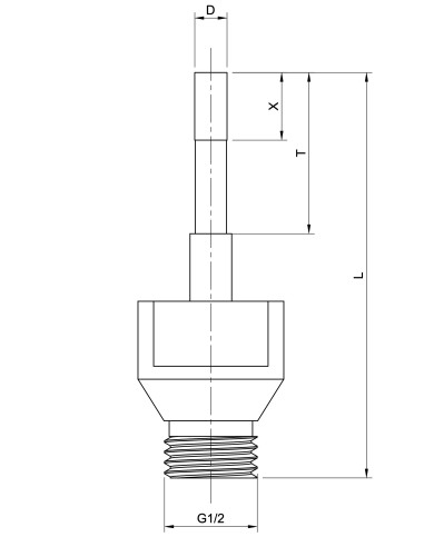
Trubkový diamantový vrták

DV546544

Sintrovaný trubkový diamantový vrták je ideální pro vrtání skla a keramiky. Díky vysoké odolnosti a kvalitnímu diamantovému povrchu poskytuje čisté a přesné otvory s dlouhou životností.

Poptávkový formulář

close

Nezávazná poptávka

 

 

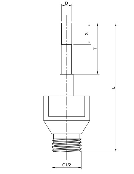
Sintrované trubkové diamantové vrtáky jsou speciálně navržené pro vrtání tvrdých a křehkých materiálů, jako je sklo a keramika. Díky procesu sintrování mají tyto vrtáky dlouhou životnost a umožňují vysokou přesnost při práci.

Naše vrtáky jsou k dispozici v různých průměrech a délkách, přizpůsobené pro širokou škálu aplikací. Použitý diamantový segment zajišťuje efektivní a plynulé vrtání bez nadměrného opotřebení. Jsou vhodné jak pro ruční, tak automatické vrtací stroje.

Hlavní výhody našich sintrovaných diamantových vrtáků:

  • Dlouhá životnost díky vysoké kvalitě sintrovaného diamantu

  • Čisté a přesné otvory bez nadměrného tříštění

  • Vhodné pro sklo, keramiku a další křehké materiály

  • Možnost výroby na míru podle požadavků zákazníka

Používají se v různých průmyslových odvětvích, včetně výroby skleněných dekorací, optiky, obkladů a dlažeb. Díky své kvalitě a odolnosti patří mezi nejlepší volby pro profesionální vrtání.


7 dalších produktů ve stejné kategorii:

Product added to compare.

Používáme cookies k personalizaci obsahu, analýze návštěvnosti a zlepšení uživatelské zkušenosti. Pokračováním v používání webu souhlasíte s naším používáním cookies. Více informací.